Kia Rio (YB): Indicadores / Cuadro instrumentos

Componentes y localización de los componentes

Componentes
[Tipo estándar ("3,5")]

[Tipo supervisión ("3,5")]

INFORMACIÓN SOBRE EL PASADOR DEL CONECTOR

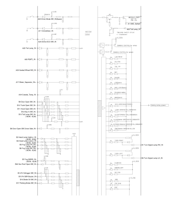
CONECTOR A



Descripción

Descripción
1
masa
21
Interruptor de viaje (-)
2
ILUMINACIÓN (-)
22
Interruptor de viaje 1 (+)
3
Interruptor del reóstato (abajo)_entrada
23
Interruptor de viaje 2 (+)
4
Interruptor del reóstato (arriba)_entrada
24
Entrada de interruptor ECO activo
5
Detención
25
Drive mode switch_input
6
Transmisión automática (posición 'P')
26
MT (posición 'R')
7
Transmisión automática (posición 'R')
27
-
8
Transmisión automática (posición 'N')
28
Washer level low_Input
9
Transmisión automática (posición 'D')
29
CAN de la carrocería (bajo)
10
Transmisión automática (posición 'S')
30
CAN de la carrocería (alto)
11
Entrada del inmovilizador
31
Salida del alternador
12
Salida de velocidad del vehículo
32
CAN del chasis (ALTO)
13
Entrada del alternador
33
CAN del chasis (BAJO)
14
Entrada del emisor de combustible (-)
34
Outside temp_Input
15
ENTRADA DE VELOCIDAD DE VEHÍCULO
35
FFV 5V (+)_Output
LPI Fuel_Input
16
Entrada del emisor de combustible (-)
36
Entrada del indicador del volante térmico
17
Water seperator (+)_input
37
masa
18
AIR BAG (+)_entrada
38
LDC Battery (+)_Input
19
Presostato de aceite_entrada
39
ENC 1
20
Entrada de la luz trasera
40
Batería (+)

CONECTOR B



Descripción

Descripción
1
Turn signal lamp (Right)_Input
17
Parking brake switch (-)_Input
2
Turn signal lamp (Left)_Input
18
Front delcer switch (-)_Input /
Heated glass switch (-)_Input
3
Headlamp (High) (+)_Input
19
Driver seat belt switch (-)_Input
4
Headlamp (Low) (+)_Input
20
Assist seat belt switch (-)_Input
5
Front fog lamp (+)_Input
21
Assist seat mat switch (-)_Input
6
Rear fog lamp (+)_Input
22
Sunroof open switch (-)_Input
7
Rear fog switch (-)_Input
23
masa
8
Door open switch (-)_Input
24
Heated washer nozzle (-)_Output
9
Driver side door open switch (-)_Input
25
Rear defogger relay (-)_Output
10
Trunk open switch (-)_Input
26
Front delcer relay (-)_Output /
Heated glass relay (-)_Output
11
Hood open switch (-)_Input
27
Assist seat belt indicator (-)_Output
12
Key in switch (-)_Input
28
Tail lamp relay (-)_Output
13
Tail lamp switch (-)_Input
29
Rear SBR Indicator SYNC(-)_Output
14
Rear defogger switch (-)_Input
30
-
15
Rear SBR buzzer (-)_Input
31
-
16
Brake oil switch (-)_Input
32
-

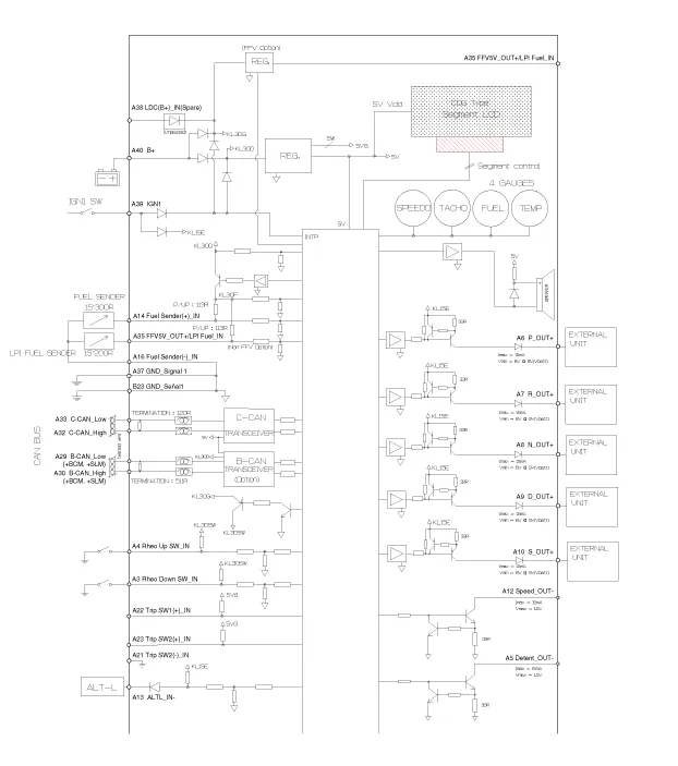
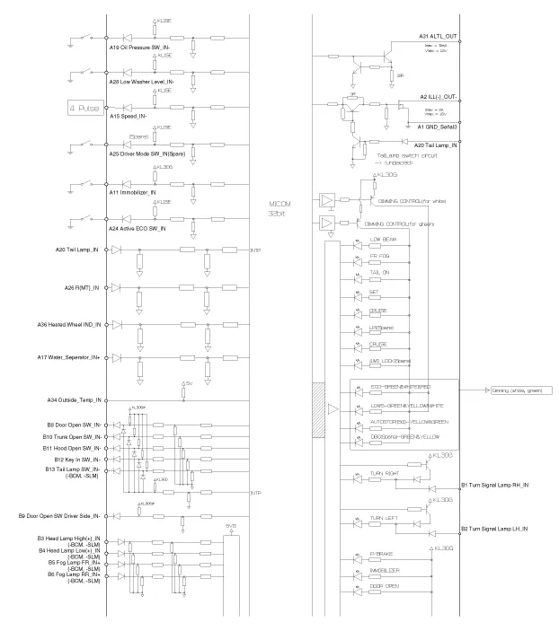
Diagramas esquemáticos

Diagrama del circuito
[Estándar general]

[Supervisión general]

Descripción y operación

Descripción

Diagrama de red de comunicación

Abreviatura
EXPLICACIÓN
ACU
Unidad de control del airbag
AVN
Unidad principal (Audio / AVN)
B_CAN
Red de zona del controlador de la carrocería
BCM
MÓDULO DE CONTROL DE LA CARROCERÍA
BSD
Detección del ángulo muerto
C_CAN
Red de zona del controlador del chasis
CLU
Módulo del panel de instrumentos
ESC
Programa de Estabilidad Electrónica
EMS
Sistema de Gestión del Motor
FPCM
Módulo de control de la bomba de combustible
LDWS
Sistema de advertencia de salida del carril
CAN_M
Controlador del área de red multimedia
MDPS
Dirección asistida por accionamiento del motor
MFS
Interruptor multifuncional
CAN_P
Controlador del área de red del tren de potencia
PGS
Sistema de guía de estacionamiento
SAS
Sensor del ángulo de la dirección
SMK
Unidad de llave inteligente
TCU
Unidad de control de transmisión
TPMS
Avisador presion de neumaticos
VDC
Control dinámico del vehículo
ABS
Sistema de frenos antibloqueo

Codificación variable del panel de instrumentos

Dado que el vehículo dispone de más opciones (ESC, MDPS, etc.) el salpicadero debe mostrar más información dependiendo de las opciones seleccionadas.

Por ello, debemos conocer qué opciones tiene el vehículo al cambiar el salpicadero.

Para resolver este problema, se debe llevar a cabo un curso de aprendizaje basado en la opción que requiere el vehículo cuando se cambia el salpicadero.

A esto se le llama codificación variable.

Procedimientos de reparación

Extracción
  

Póngase guantes para proteger sus manos.

Al desmontar utilizando un destornillador de punta plana o un extractor, envuelva las herramientas con cinta protectora para no dañar los componentes.

1.

Desconecte el terminal negativo (-) de la batería.

2.

Desmonte el panel central del instrumento combinado.

(Consulte el grupo de carrocería - "Panel del tablero de instrumentos")

3.

Separe el panel de instrumentos (A) tras aflojar los tornillos de montaje.

4.

Desmonte el panel de instrumentos tras desconectar los conectores del panel de instrumentos (A).

Instalación
1.

Monte el panel de instrumentos tras conectar los conectores.

2.

Monte el panel del tablero central.

3.

Conecte el terminal negativo (-) de la batería.

  

Ejecute la codificación de variantes tras cambiar el panel de instrumentos.

Inspección
1.

Punto de comprobación (indicador de advertencia)

  

Para las condiciones de fallo y las condiciones de operación normal, consulte el manual del usuario.

NO
Símbolo de referencia
NOMBRE
Color
Entrada señal
Control de la señal
Punto de comprobación
1

Intermitente (Izquierda)
Verde
CAN
BCM
(Puerta de enlace)
1)

OInterruptor multifuncion

2)

BCM

3)

Fallo del CAN

2

Intermitente (Derecha)
Verde
CAN
BCM
(Puerta de enlace)
1)

OInterruptor multifuncion

2)

BCM

3)

Fallo del CAN

3

Luz trasera
Verde
CAN
BCM
(Puerta de enlace)
1)

OInterruptor multifuncion

2)

BCM

3)

Fallo del CAN

4

Delantero
Luz antiniebla
Verde
CAN
BCM
(Puerta de enlace)
1)

OInterruptor multifuncion

2)

BCM

3)

Fallo del CAN

5

Luces antiniebla traseras
Amarillo
CAN
BCM
(Puerta de enlace)
1)

OInterruptor multifuncion

2)

BCM

3)

Fallo del CAN

6

LUZ DE CRUCE
Verde
CAN
BCM
(Puerta de enlace)
1)

OInterruptor multifuncion

2)

BCM

3)

Fallo del CAN

7

Luz de carretera
Azul
CAN
BCM
(Puerta de enlace)
1)

OInterruptor multifuncion

2)

BCM

3)

Fallo del CAN

8

Símbolo maestro
Amarillo
CAN
BSD
1)

Sistema BSD

2)

Fallo del CAN

TPMS
1)

Sistema TPMS

2)

Fallo del CAN

BCM
1)

Luces exteriores

2)

BCM

3)

Fallo del CAN

cableado
Emisor de combustible
1)

Fallo del emisor de combustible

2)

Fallo del cableado

LAVAPARABRISAS BAJO
1)

Sensor de nivel de líquido del lavaparabrisas

2)

Fallo del cableado

ENTRADA DIGITAL
Comprobación funcional del servicio al cliente
9

Carga de batería
ROJO
CAN
ECM
1)

Sistema de carga

2)

Fallo del CAN

10

PRESIÓN DE ACEITE
ROJO
cableado
ECM
1)

Sistema ECM

2)

cableado

3)

Fallo del CAN

11

Comprobación del motor
Amarillo
CAN
ECM
1)

Sistema ECM

2)

Fallo del CAN

12

inmovilizador
Amarillo
CAN
BCM
(Puerta de enlace)
1)

Sistema SMK

2)

BCM

3)

Fallo del CAN

4)

cableado

13

Freno de estacionamiento
Líquido de freno
EBD
EPB
ROJO
CAN
BCM
(Puerta de enlace)
EBD
EPB
ABS
TCS
1)

BCM

2)

Sistema ABS

3)

Sistema EPB

4)

Fallo del CAN

5)

Interruptor del freno de estacionamiento

6)

Sensor del nivel de aceite del freno

14

ABS
Amarillo
CAN
ABS
1)

Sistema ABS

2)

Fallo del CAN

15

ESC
Amarillo
CAN
TCS
1)

Sistema ABS

2)

Fallo del CAN

16

ESC OFF
Amarillo
CAN
TCS
1)

Sistema ABS

2)

Fallo del CAN

17

Auto hold
Blanco
Amarillo
Verde
CAN
TCS
1)

Sistema TCS

2)

Fallo del CAN

18

Cinturón de seguridad
ROJO
CAN
BCM
(Puerta de enlace)
1)

BCM

2)

Fallo del CAN

19

AIRBAG
ROJO
CAN
srscm
1)

Sistema SRSCM

2)

Fallo del CAN

20

EPS
[MDPS]
ROJO
CAN
MDPS
1)

Unidad del sistema MDPS

2)

Motor MDPS

3)

Fallo del CAN

21

TPMS
Amarillo
CAN
TPMS
1)

Sistema TPMS

2)

Sensor TPMS

3)

Fallo del CAN

22

LDWS
Verde
Amarillo
Blanco
CAN
LDWS
1)

Sistema LDWS

2)

Fallo del CAN

23

Testigo de combustible
Amarillo
Directo
(Micom)
segmento del combustible
1)

Fallo del emisor de combustible

2)

Fallo del cableado

24

Abre puerta
ROJO
CAN
BCM
(Puerta de enlace)
1)

BCM

2)

Fallo del CAN

3)

Interruptor/sensor de la puerta

25

ECO
Verde
cableado
Modo Eco
1)

Sistema ECM

2)

Fallo del CAN

26

DEPORTIVO
Amarillo
cableado
Modo deportivo
1)

Sistema ECM

2)

Fallo del CAN

27

CRUCERO
Verde
CAN
ECM
1)

Sistema ECM

2)

Fallo del CAN

28

JUEGO
Verde
CAN
ECM
1)

Sistema ECM

2)

Fallo del CAN

29

Exceso de velocidad
Amarillo
CAN
ECM
1)

ECM

2)

Fallo del CAN

30

AEB
Amarillo
CAN
SCC
1)

Sistema AEB

2)

Fallo del CAN

31

Agua de refrigeración
temperatura
ROJO
CAN
EMS
1.

Sistema EMS

2.

Fallo del CAN

32

Filtro de partículas diésel
[DPF]
Amarillo
CAN
ECM
1)

Sistema DPF

2)

Fallo del CAN

33

NIVEL DE ACEITE
Amarillo
CAN
ECM
1)

ECM

2)

Fallo del CAN

34

Separador del agua
ROJO
cableado
Sensor del separador de agua
1)

Sensor del separador de agua

2)

Fallo del cableado

35

Parada automática
Verde
Amarillo
CAN
ECM
1)

ECM

2)

Fallo del CAN


2.

Punto de comprobación (indicador)

NO
NOMBRE
Entrada señal
Control de la señal
(Unidad / Sensor)
Punto de comprobación
1
Velocímetro
C_CAN
ABS/ESC
1) Sistema ABS
2. Fallo de la línea CAN
2
Tacómetro
C_CAN
ECM
1. ECM
2. Fallo de la línea CAN
3
Temperatura de agua refrigerante
C_CAN
ECM
1. ECM
2. Fallo de la línea CAN
4
Regulador
Cableado
Emisor de combustible
1) Fallo del emisor de combustible
2) Fallo del cableado

Diagnóstico con KDS/GDS

1.

Pueden diagnosticarse rápidamente fallos del sistema eléctrico de la carrocería con el sistema de diagnóstico del vehículo (KDS/GDS).

El sistema de diagnóstico (KDS/GDS) proporciona la siguiente información.

(1)

Autodiagnóstico: Comprobación del fallo y número de código (DCT)

(2)

Datos actuales: Comprobación del estado de los datos de entrada y salida del sistema

(3)

Prueba de actuación: Comprobación del estado de funcionamiento del sistema

(4)

Función adicional: Control de otras características incluyendo el ajuste de opciones del sistema y el ajuste del punto cero

2.

Seleccione 'Modelo de vehículo' y 'Modelo del panel de instrumentos (CLU)' a inspeccionar para comprobar el vehículo con el comprobador.

3.

Seleccione el menú 'Current data" para buscar el estado actual de los datos de entrada y salida.

4.

Para actuar a la fuerza el valor de entrada del módulo a comprobar, seleccione la opción 'Prueba de actuación'.

Codificación variable CLU

Tras cambiar el panel de instrumentos por uno nuevo, debe realizar el proceso de "Codificación variable".

1.

Conecte el cable del KDS/GDS a la toma de diagnóstico del panel protector inferior en el lado del conductor y encienda el KDS/GDS.

2.

Seleccione el modelo y el menú "BCM".

3.

Seleccione el modo de codificación variable a ejecutar.

4.

Si los códigos de avería se producen al realizar la codificación variable, vuelva a probar la codificación variable del CLU tras comprobar el estado el sistema del CLU

    Diagnóstico de averías Diagnóstico de averías Elemento con error Síntoma de fallo Elementos de inspección Comprobaciones detalladas Piezas relevantes/ Componentes Visualización de la pantalla La pantalla LCD no se enciende 1) Acoplamientos del conector 2) Componentes 1) Compruebe los acoplamientos del conector 2) Compruebe el cableado de B+, ENC y MASA 3) Compruebe los componentes Conectores, cableado, fusibles, salpicadero Luz de advertencia Avería de la luz de aviso del airbag 1) Acoplamientos del conector 2) C_CAN 3) Componentes 1) Compruebe airbag + señal (conectores) 2) Compruebe la señal C-CAN (ACU4) 3) Compruebe el acople del FPC dentro del salpicadero Conectores ACU, cableado, fusibles, salpicadero Conversión de modo Avería del modo de conducción integrado 1) Acoplamientos del conector 2) INTERRUPTOR 3) Componentes 1) Compruebe la entrada del interruptor (conector) 2) Compruebe la entrada de la señal del interruptor (desconexión o cortocircuito) 3) Compruebe la conversión con el componente del salpicadero Conector del interruptor, cableado del salpicadero ILUMINACIÓN No se puede controlar el brillo de la luz interior.

    Características técnicas Especificación Elemento Especificación Alimentación de fuente 3 V Temperatura de operación -30 - 80°C (-22 - 176°F) Modulación RF FSK Modulación LF ASK Frecuencia RF 433,92 MHz Número del botón 3 Función Bloqueo de puerta Desbloqueo de puerta DESBLOQUEO DEL PORTÓN TRASERO Componentes y localización de los componentes LOCALIZACIÓN DE LOS COMPONENTES 1.

    Otra informacion:

    Kia Rio (YB) Manual de Taller: Fotosensor (sólo FATC)

    Descripción y operación Descripción El fotosensor está ubicado en el centro de las toberas de descongelamiento. El sensor fotoeléctrico contiene un diodo fotovoltaico (sensible a la luz solar). La radiación solar recibida por su parte receptora, genera una fuera electromotriz en proporción con la cantidad de radiación r

    Kia Rio (YB) Manual de Taller: Resistor del ventilador (MANUAL)

    Procedimientos de reparación Inspección 1. Mida la resistencia entre los terminales. 2. si la resistencia medida no está dentro de la especificación, se debe cambiar el resistor del ventilador.

    Categorías

     
    Copyright © 2026 www.krioes.com - 0.0291