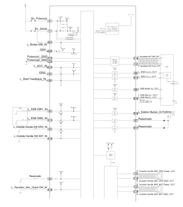
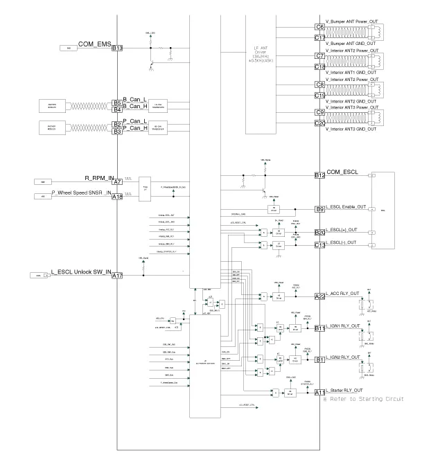
| Componentes |

INFORMACIÓN SOBRE EL PASADOR DEL CONECTOR
|
N° |
CONECTOR A |
CONECTOR B |
Conector C |
|
1 |
- |
Salida del relé de ENC 2 |
Battery (+)_signal |
|
2 |
SSB switch1 signal_input |
CAN P (Bajo) |
- |
|
3 |
Driver door outside handle switch_input |
CAN P (Alto) |
Immobilizer antenna (Power)_output |
|
4 |
- |
C-CAN [Alta] |
Driver outside handle antenna (Power)_output |
|
5 |
- |
C-CAN [Baja] |
Passenger outside handle antenna (Power)_output |
|
6 |
- |
SSB Amber illumination_output |
Bumper antenna (Power)_output |
|
7 |
Entrada de la señal RPM |
- |
Interior antenna 1 (Power)_output |
|
8 |
Start signal feedback_input |
Salida de iluminación del SSB (-) |
Interior antenna 2 (Power)_output |
|
9 |
ENC 2 |
Salida de activación del ESCL |
Interior antenna 3 (Power)_output |
|
10 |
- |
Batería (+) potencia |
- |
|
11 |
Salida del relé del motor de arranque |
Salida del relé de ENC 1 |
- |
|
12 |
Ground_Power1 |
ESCL (COM) |
- |
|
13 |
SSB switch2 signal_input |
EMS (COM) |
ESCL_Ground (-)_output |
|
14 |
Assist door outside handle switch_input |
- |
Immobilizer antenna (Ground)_output |
|
15 |
- |
Salida de iluminación del SSB (-) |
Driver outside handle antenna (Ground)_output |
|
16 |
AT : "P" Positon_input MT : Clutch switch_input |
SSB Illumination (Blue)_output SSB Illumination (Red)_output |
Passenger outside handle antenna (Ground)_output |
|
17 |
ESCL Unlock switch_input |
- |
Bumper antenna (Ground)_output |
|
18 |
Entrada del sensor de velocidad de la rueda |
Salida del zumbador exterior |
Interior antenna 1 (Ground)_output |
|
19 |
ACC signal_input |
- |
Interior antenna 2 (Ground)_output |
|
20 |
ENC 1 |
ESCL (-)_output |
Interior antenna 3 (Ground)_output |
|
21 |
Entrada de interruptor de freno |
|
- |
|
22 |
Salida del relé del ACC |
Ground_Power2 |
| Diagrama del circuito |


| Extracción |
Póngase guantes para evitar lesiones en las manos. |
|
Unidad de llave inteligente
| 1. |
Desconecte el terminal negativo (-) de la batería. |
| 2. |
Desmonte la guantera. (Consulte el grupo de Carrocería - "Guantera") |
| 3. |
Desmonte la unidad de la llave inteligente (B) tras desconectar los conectores (A).
|
| 4. |
Desmonte la unidad de la llave inteligente (A) tras aflojar el tuercas de montaje.
|
Antena 1 del interior
| 1. |
Desconecte el terminal negativo (-) de la batería. |
| 2. |
Retire la unidad del controlador del calefactor y del A/A. (Consulte Calefacción, ventilación y aire acondicionado - "Unidad de control del aire acondicionado y del calefactor (MANUAL)") (Consulte "Calefacción, ventilación, aire acondicionado : Unidad de control del calefactor y del aire acondicionado (FATC)") |
| 3. |
Desmonte la antena interior 1 (A) tras extraer el tornillo de montaje y desconectar el conector (B).
|
Antena 2 del interior
| 1. |
Desconecte el terminal negativo (-) de la batería. |
| 2. |
Retire el conjunto de la consola del piso. (Consulte - "Carrocería: Conjunto de la consola del suelo") |
| 3. |
Desconecte el conector de la antena interior 2 (A).
|
| 4. |
Extraiga la antena 2 interior (A) tras aflojar los tornillos de montaje.
|
Antena del portón trasero
| 1. |
Desconecte el terminal negativo (-) de la batería. |
| 2. |
Retire la moldura transversal trasera. (Consulte Carrocería - "Guarnecido transversal trasero".) |
| 3. |
Retire la antena portón trasero (A) tras extraer las tuercas de montaje y desconectar el conector (B).
|
Antena del parachoques trasero
| 1. |
Desconecte el terminal negativo (-) de la batería. |
| 2. |
Retire el conjunto del parachoques trasero. (Consulte "Carrocería : Conjunto del parachoques trasero") |
| 3. |
Extraiga la antena del parachoques trasero (A) tras aflojar los tornillos de montaje y desconectar el conector (B).
|
Avisador
| 1. |
Desconecte el terminal negativo (-) de la batería. |
| 2. |
Desmontar el parachoques delantero. (Consulte "Carrocería : Desde el conjunto del parachoques") |
| 3. |
Desmonte el zumbador (A) después de desconectar el conector.
|
Manilla Exterior de la Puerta
| 1. |
Desconecte el terminal negativo (-) de la batería. |
| 2. |
Desmonte la manilla exterior de la puerta delantera. (Consulte el grupo de carrocería - "Manilla exterior de la puerta delantera")
|
Interruptor de abertura del portón trasero
| 1. |
Desconecte el terminal negativo (-) de la batería. |
| 2. |
Desmonte el conjunto de la cámara de visión trasera. (Consulte "Sistema eléctrico de la carrocería : Sistema de vista trasera desde cámara") |
| 3. |
Desmonte el conjunto del interruptor de abertura del portón trasero (A) tras aflojar los tornillos de montaje.
|
| Inspección |
Unidad de llave inteligente
(Consulte el Sistema de la llave Smart - "Diagnóstico de la llave Smart")
Interruptor llave Smart
(Consulte el Sistema de la llave Smart - "Diagnóstico de la llave Smart")
Antena
(Consulte el Sistema de la llave Smart - "Diagnóstico de la llave Smart")
Manilla Exterior de la Puerta
| 1. |
Desconecte el conector de la manilla exterior de la puerta delantera (A).
|
| 2. |
Compruebe si hay continuidad entre los terminales N° 2 y N° 4.
|
Interruptor de abertura del portón trasero
| 1. |
Compruebe la continuidad entre los terminales del interruptor de abertura del portón trasero.
|
| 2. |
Si la continuidad no es como está especificada, compruebe el interruptor.
|
| Instalación |
Unidad de llave inteligente
| 1. |
Monte la unidad de la llave inteligente tras conectar los conectores. |
| 2. |
Monte la guantera. |
| 3. |
Conecte el terminal negativo (-) de la batería y compruebe el sistema de la llave smart. |
Antena 1 del interior
| 1. |
Monte la antena 1 del interior. |
| 2. |
Instale la unidad de control del calefactor y del A/C. |
| 3. |
Monte el terminal negativo (-) de la batería y compruebe el sistema de la llave smart. |
Antena 2 del interior
| 1. |
Monte la antena 2 del interior. |
| 2. |
Monte el conjunto de la consola del suelo. |
| 3. |
Conecte el terminal negativo (-) de la batería y compruebe el sistema de la llave smart. |
Antena del portón trasero
| 1. |
Monte la antena del portón trasero. |
| 2. |
Instale el guarnecido transversal trasero. |
| 3. |
Conecte el terminal negativo (-) de la batería y compruebe el sistema de la llave smart. |
Antena del parachoques trasero
| 1. |
Monte la antena del parachoques trasero. |
| 2. |
Monte el conjunto del parachoques trasero. |
| 3. |
Conecte el terminal negativo (-) de la batería y compruebe el sistema de la llave smart. |
Avisador
| 1. |
Monte el zumbador acústico. |
| 2. |
Monte el conjunto del parachoques delantera. |
| 3. |
Conecte el terminal negativo (-) de la batería y compruebe el sistema de la llave smart. |
Manilla Exterior de la Puerta
| 1. |
Monte la manilla exterior de la puerta delantera. |
| 2. |
Conecte el terminal negativo (-) de la batería y compruebe el sistema de la llave smart. |
Interruptor de abertura del portón trasero
| 1. |
Monte el conjunto del interruptor de abertura del portón trasero. |
| 2. |
Monte el conjunto de la cámara de visión trasera. |
| 3. |
Monte el conjunto de la manilla exterior del portón trasero. |
| 4. |
Conecte el conector del conjunto de la manilla exterior del portón trasero. |
| 5. |
Monte el adorno del portón posterior. |
| 6. |
Monte el terminal negativo (-) de la batería y compruebe el sistema de la llave smart. |
Procedimientos de reparación Llave inteligente Grabación de Códigos de la Llave Smart 1. Conecte el cable DLC del KDS/GDS a la toma de diagnóstico (16 clavijas) del panel protector inferior en el lado del conductor y encienda el KDS/GDS.
Procedimientos de reparación Inspección Autodiagnóstico con Hi-Scan Puede diagnosticar rápidamente defectos del sistema de la llave inteligente con el KDS/GDS.
C
Descripción y operación Descripción El actuador de admisión se encuentra en la unidad del ventilador. Regula la puerta de admisión con la señal de la unidad de control. Al pulsar el interruptor de selección de admisión se pasa entre los modos de recirculación y aire fresco.