| Componentes |

| Diagrama del circuito |

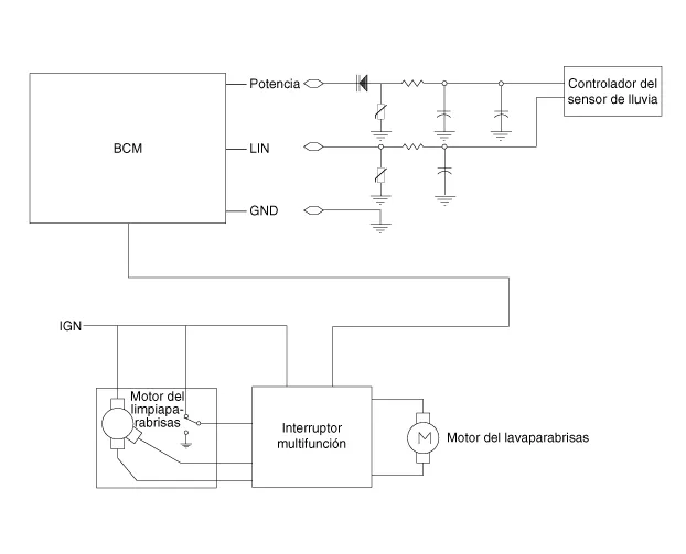
| Descripción |
| Sensor de lluvia integrado |
El sensor de lluvia integrado (A) controla tres sistemas: limpiaparabrias delantero, luces automáticas y aire acondionado central.
| 1. |
Sistema de control del limpiaparabrisas Cuando el interruptor multifunción en la derecha recibe la señal del interruptor "AUTO", el sensor de lluvia integrado detecta la cantidad de lluvia caída. El sensor está instalado dentro de la parte superior de la ventanilla delantera del control del motor del limpiaparabrisas. Este sistema controla automáticamente la duración del funcionamiento y la velocidad del limpiaparabrisas dependiendo de la cantidad medida de lluvia caída, incluso cuando el conductor no acciona el interruptor del limpiaparabrisas. |

| Funciones y principios operativos |
PRINCIPIO BÁSICO
| 1. |
Detectando la cantidad de agua de lluvia La luz (haz) emitida por los diodos emisores de luz (LED) se refleja totalemente en la superficie externa del parabrisas y vuelve al fotodiodo. Cuando hay agua en la superficie externa del parabrisas, el haz se separa ópticamente y se refleja parcialmente y el brillo restante es medido por el fotodiodo. El agua que se queda en el parabrisas causa que la luz no se refleje completamente. La pérdida de brillo debido a esto indica la humedad de la superficie del cristal. |
INTERFERENCIA
El sensor de lluvia integrado puede funcionar incorrectamente debido a las siguientes interferencias:
| 1. |
El polvo en la superficie de medida y en otras superficies en la trayectoria de la luz (superficie de los diodos emisores de luz y fotodiodos, fibra óptica, soporte y superfice del cristal de la zona de unión del parabrisas) debilita la luz recibida. |
| 2. |
Movimiento del parabrisas y soporte |
| 3. |
Movimiento del soporte debido a la vibración |
| 4. |
Escobilla del limpiaparabrisas dañada |
Cuando el sensor de lluvia integrado no funciona o presenta fallos, el conductor deberá accionar el interruptor del limpiaparabrisas manualmente. |
Funcionamento automático
| 1. |
Estado operativo del sensor de lluvia
|
Función de seguridad
| 1. |
Si existe hielo o materias extrañas en el campo de detección, el sensor de lluvia integrado no puede reconocer la condición operativa correcta. |
Condiciones especiales de detección
| 1. |
Sensor de lluvia
|
| Extracción |
|
| 1. |
Desmonte la cubierta del cableado del retrovisor (A).
|
| 2. |
Desconecte el conector del sensor de lluvia (A).
|
| 3. |
Tenga cuidado de no dañar la cubierta del pestillo aplicando una fuerza excesiva. Para desmontar el pestillo, tire del mismo a un lado a través del orificio de la cubierta con un destornillador plano pequeño (A).
|
| 4. |
El módulo del sensor de lluvia está acoplado al parabrisas delantero con cola. Al cambiar el parabrisas delantero, desmonte el módulo del sensor de lluvia del parabrisas delantero existente y móntelo en el parabrisas delantero nuevo. |
| Instalación |
|
| 1. |
Monte el soporte del sensor de lluvia en el cristal del parabrisas con cinta.
|
| 2. |
Conecte el conector del sensor de lluvia y monte la cubierta del sensor. |
Procedimientos de reparación Inspección Motor de lava parabrisas 1. Con el motor del lavaparabrisas conectado al depósito de reserva, llene el depósito con agua.
Características técnicas Especificación AIRE ACONDICIONADO Elemento Especificación Compresor Tipo DVE12 Tipo de aceite y capacidad PAG 30, 120 ± 10g DESPLAZAMIENTO 122cc/rev Válvula de la expansión Tipo Tipo de bloque Refrigerante Tipo R-134a, R-1234yf Capacidad 450 ± 25g (15,7 ± 0,88oz.
Componentes y localización de los componentes Componentes 1. Interruptor del calefactor del asiento del lado del conductor 2. Interruptor del calefactor del asiento del lado del acompañante Descripción y operación Descripción Tecnología de control inteligente del calefact
Descripción y operación Descripción El transductor de presión del A/A (APT)convierte el valor de presión de línea de alta presión en el valor de voltaje tras medirlo. Con el valor de voltaje convertido, el ECU del motor controla el ventilador de refrigeración activándolo en alta velocidad o baja velocidad.