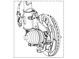
| Componentes |

| 1. Conector del sensor de velocidad
de la rueda delantera |
2. Sensor de Velocidad de la
Rueda Delantera |
| Extracción |
| 1. |
Desmonte las ruedas y los neumáticos delanteros.
|
| 2. |
Afloje el perno (A) y después desconecte el sensor de velocidad de las ruedas.
|
| 3. |
Quite la protección de las ruedas delanteras. (Consulte el grupo de la Carrocería - "Protector de la rueda delantera") |
| 4. |
Desconecte el conector del sensor de velocidad de la rueda (A).
|
| 5. |
El montaje debe realizarse en el orden inverso al desmontaje. |
| Inspección |
| 1. |
Mida el voltaje de salida entre el terminal del sensor de velocidad de la rueda y la masa de la carrocería.
|
| 2. |
Comparar el cambio de voltaje de salida del sensor de velocidad de la rueda con el cambio normal de voltaje de salida tal y como se muestra a continuación.
|
Componentes y localización de los componentes Componentes 1. Conector del módulo de control ABS 2. Módulo de control del ABS 3.
Componentes y localización de los componentes Componentes Tipo de tambor Tipo de disco Procedimientos de reparación Extracción 1.
Procedimientos de reparación Inspección 1. Pueden diagnosticarse rápidamente fallos del sistema eléctrico de la carrocería con el sistema de diagnóstico del vehículo (KDS/GDS). El sistema de diagnóstico (KDS/GDS) proporciona la siguiente información.
Descripción y operación Descripción El calefactor PTC (Coeficiente positivo de temperatura) está montado en la salida de la parte posterior del núcleo del calefactor. El calefactor PTC es un calefactor eléctrico que utiliza un elemento PTC como dispositivo de calefacción auxiliar que suministra superficie negativa a la fu