Kia Rio (YB): Calentador en calefaccion / Actuador de control de la temperatura

Descripción y operación

Descripción

La unidad del calefactor incluye un actuador de control de modo y un actuador de control de temperatura.

El actuador de control de temperatura está situado en la unidad del calefactor. Regula la temperatura con el siguiente procedimiento. La señal desde la unidad de control ajusta la posición de la puerta de temperatura mediante el interruptor de temperatura y la temperatura se regulará con la relación de aire caliente/frío a partir de la posición de la puerta de temperatura.

Procedimientos de reparación

Inspección
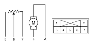
1.

Apague el interruptor de encendido.

2.

Desconecte el conector del actuador del control de temperatura.

3.

Compruebe que el actuador de control de temperatura se activa en la posición de caliente (IZQ) o frío (DCH) al conectar 12 V al terminal 3 y al terminal a tierra 4.

Verifique que el actuador de control de temperatura se activa en la posición de frío (IZQ) o caliente (DCH) al conectar a la inversa.

1. -
2. -
3. Posición de frío
4. Posición de calor
5. Sensor (+ 5V)
6. Señal de retroalimentación
7. Masa del sensor

4.

Conecte el conector del actuador del control de temperatura.

5.

Gire el conmutador de encendido hacia ON:

6.

Compruebe el voltaje entre el terminal 6 y el 5 (IZQ) o el 7 (DCH).

Especificación

Posición de la puerta
VOLTAJE (V)
Detección de error
Frío MÁX.
0,4
Voltaje bajo : 0,1 V o menos
Calor MÁX.
4~6
Voltaje alto : 4,9 V o más

Informe de la posición actual del actuador a los controles.

7.

Si el voltaje medida no está en la especificación, sustituya un accionador de control de temperatura en buenas condiciones y compruebe que opere correctamente.

8.

Si el problema se corrije, cambie el actuador de control de temperatura.

Sustitución
1.

Desconecte el terminal negativo (-) de la batería.

2.

Desmonte el conducto de agua del lado del conductor (A) tras aflojar el tornillo.

3.

Desconecte el conector (A) y retire el actuador de control de temperatura (B) tras aflojar los tornillos de montaje.

4.

Para el montaje, siga el orden inverso al desmontaje.

    Componentes y localización de los componentes LOCALIZACIÓN DE LOS COMPONENTES Componentes 1. Cubierta de la tubería del calefactor 2.

    Descripción y operación Descripción El actuador de control de modo se encuentra en la unidad del calefactor. Ajusta la posición de la puerta de modo operando el actuador de control de modo basado en la señal de la unidad de control de A/C.

    Otra informacion:

    Kia Rio (YB) Manual de Taller: Interruptor del Desempañador de la Luneta trasera

    Procedimientos de reparación Inspección 1. Pueden diagnosticarse rápidamente fallos del sistema eléctrico de la carrocería con el sistema de diagnóstico del vehículo (KDS/GDS). El sistema de diagnóstico (KDS/GDS) proporciona la siguiente información.

    Kia Rio (YB) Manual de Taller: Sensor de temperatura del evaporador

    Descripción y operación Descripción El sensor de temperatura del evaporador detecta la temperatura del núcleo del evaporador e interrumpe la alimentación del relé del compresor para evitar que el evaporador se congele por una refrigeración excesiva.

    Categorías

     
    Copyright © 2026 www.krioes.com - 0.0183