Kia Rio (YB): Sistema eléctrico de la carrocería / MÓDULO DE CONTROL DE CARROCERÍA (BCM)

Kia Rio (YB) Manual de Taller / Sistema eléctrico de la carrocería / MÓDULO DE CONTROL DE CARROCERÍA (BCM)

Características técnicas

Características técnicas
[Tipo BCM]

Elemento
Características técnicas
Tensión nominal
DC 12 V
Voltaje operativo
DC 9 ~ 16 V
Temperatura de operación
-31 - 167°F (-35 - 75°C)
Corriente oscura
SMK: 3mA / Sin llave: 3,5mA

[Tipo sin BCM (Unidad de iluminación y aviso del cinturón de seguridad)]

Elemento
Características técnicas
Tensión nominal
DC 12 V
Voltaje operativo
DC 9 ~ 16 V
Temperatura de operación
-22 -167°F (-30 - 75°C)
Corriente oscura
2,5mA

Componentes y localización de los componentes

Componentes
[Tipo BCM]

(IZQ)

(DCH)

INFORMACIÓN SOBRE EL PASADOR DEL CONECTOR


CONECTOR A
Conector B
Conector C
Conector D
Conector E
1
Batería (+)
Interruptor de marcha atrás de limpiaparabrisas delantero lento
Curva estática (Izquierda)
-
DRL exclusiva
2
Potencia del RPAS
Interruptor limpia trasero
-
Interruptor de bloqueo del inter de la llave
Relé de las luces traseras
3
ENC 1
INTERR. LIMPIAPARABRISAS TRASERO
CAN-B (alto)
Zumbador RPAS
Relé del elevalunas eléctrico
4
Interruptor de llave en el contacto
INT. DE LIMPIAPARABRISAS DELANTERO
CAN-B (bajo)
-
Relé de los faros antiniebla
5
-
Interruptor de frecuencia de intermitencia del limpiaparabrisas delantero
ALIMENTACIÓN DE LA LUZ AUTOMÁTICA
Indicador de cierre de puerta
Relé de la luz antiniebla trasera
6
Interruptor de cierre de elevalunas eléctrico
Interruptor de luz multifunción
Corte automático de la luz interior_Masa
INDICADOR DE SEGURIDAD
DRL derecha exclusiva
7
Interruptor apertura techo solar
PAS
(LIN)
Luz del habitáculo
Solenoide llave
DRL izquierda dedicada
8
Interruptor de desbloqueo de la puerta trasera derecha
-
Señal intermitente trasera de giro a la derecha
Relé bajo de faros
DRL Dedicated_Power1
9
Interruptor de desbloqueo de la puerta delantera derecha
-
Señal intermitente trasera de giro a la izquierda
Rele limpia trasero
DRL Dedicated_Power2
10
Interruptor de desbloqueo de la llave izquierda delantera
-
Señal intermitente delantera de giro a la izquierda
Estado de activación de la unidad de navegación
-
11
Interruptor del lava/limpiaparabrisas
Curva estática (Potencia)
Interruptor de desbloqueo del portón trasero / maletero
Estado de estacionamiento del limpiaparabrisas
Relé de desbloqueo mutuo
12
Potencia PAS
Señal de impacto
Interruptor de apertura de la puerta delantera derecha
-
Relé de desbloqueo de puertas
13
-
-
Interruptor de apertura la puerta derecha trasera
AV TAIL
Relé de bloqueo de puertas
14
ACC
Interruptor de la luz de carretera
Interruptor de apertura de la puerta delantera izquierda
Relé de inhibición de arranque
-
15
ENC 2
Interruptor de la luz antiniebla
Interruptor de apertura de la puerta izquierda trasera
-
Relé de desbloqueo del maletero
Relé de desbloqueo del portón trasero
16
-
INTERRUPTOR DE INTERMITENTES
Sensor de luz automático
-
-
17
Interruptor de emergencia
Interruptor de marcha atrás, de la luz de cruce
LUZ AUTOMÁTICA A MASA
-
Relé del limpiaparabrisas rápido
18
-
Sensor de lluvia
(LIN)
-
Relé del faro de carretera
Relé del limpiaparabrisas delantero lento
19
Interruptor de desbloqueo de la puerta izquierda trasera
Interruptor de apertura del maletero / portón trasero
Potencia de la señal del encendida
Relé del claxon
Activación elevalunas eléctrico de seguridad
20
Interruptor de desbloqueo de la puerta delantera izquierda
COM (Diagnóstico)
Señal intermitente delantera de giro a la derecha
-
-
21
Interruptor de bloqueo de la llave izquierda delantera
masa




22
Ground_power
Curva estática (Derecha)

[Tipo sin BCM (Unidad de iluminación y aviso del cinturón de seguridad)]

INFORMACIÓN SOBRE EL PASADOR DEL CONECTOR


CONECTOR A
CONECTOR B
Conector C
1
Batería (+)
Potencia de la señal del encendida
CAN-B (alto)
2
ENC 2
Señal intermitente delantera de giro a la izquierda
CAN-B (bajo)
3
INTERRUPTOR DE DESBLOQUEO DE LA PUERTA DEL CONDUCTOR
INTERRUPTOR DE FARO TRASERO
Indicador del cinturón de seguridad del asiento central trasero
4
Interruptor de desbloqueo de la puerta izquierda trasera
Conmutador de antinieblas delanteros
Indicador del cinturón de seguridad del asiento trasero izquierdo
5
Interruptor de abertura de la puerta del conductor
Interruptor de emergencia
Relé de desbloqueo del portón trasero (Maletero)
6
Interruptor de desbloqueo de la puerta izquierda trasera
Interruptor de la señal intermitente izquierda
Relé de los faros antiniebla
7
Interruptor de bloqueo de la llave del lado del conductor
Interruptor control A/C
DRL exclusiva
8
Interruptor de cierre de elevalunas eléctrico
Interruptor SBR derecho trasero
Relé bajo de faros
9
Relé de bloqueo de puertas
Interruptor de la señal intermitente derecha
-
10
Indicador de cierre de puerta
Interruptor de las luces antiniebla traseras
-
11
Señal intermitente delantera de giro a la derecha
LUZ AUTOMÁTICA A MASA
AV TAIL
12
ENC 1
Señal intermitente trasera de giro a la izquierda
ALIMENTACIÓN DE LA LUZ AUTOMÁTICA
13
ACC
Señal intermitente trasera de giro a la derecha
Sensor de luz automático
14
Interruptor de desbloqueo de la puerta del acompañante
Interruptor de llave en el contacto
Indicador del cinturón del asiento trasero derecho
15
Interruptor de desbloqueo de la puerta trasera derecha
Interruptor de desbloqueo del portón trasero (Maletero)
Relé de la luz antiniebla trasera
16
Interruptor de abertura de la puerta del acompañante
Interruptor de apertura del (Maletero) portón trasero
-
17
Interruptor de apertura la puerta derecha trasera
Interruptor de la luz de carretera
Relé del faro de carretera
18
Interruptor de desbloqueo de la llave del conductor
Interruptor SBR izquierdo trasero
Relé de las luces traseras
19
-
Interruptor SBR central trasero
-
20
Relé de desbloqueo de puertas
INT de adelantamiento
-
21
-
Interruptor bajo de faros

22
masa
masa

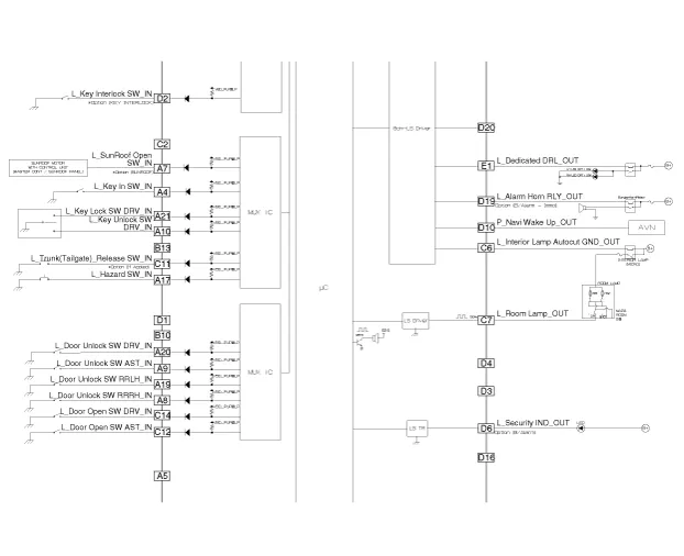
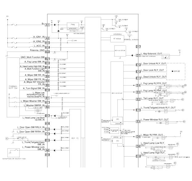
Diagramas esquemáticos

Diagrama del circuito
[Tipo BCM]

[Tipo sin BCM (Unidad de iluminación y aviso del cinturón de seguridad)]

Descripción y operación

Descripción

Función del módulo de control de la carrocería (BCM)

NO
Elemento
Descripción
1
Limpiaparabrisas vinculado al lavaparabrisas

Si se pulsa el interruptor del lavaparabrisas durante 0,06~0,2 s con el vehículo en el modo ENC2, el relé del limpiaparabrisas se activa 0,3±0,1 s después de que el interruptor del lavaparabrisas esté activado, y el relé del limpiaparabrisas se desactiva 0,7±0,1 s después.

Si se pulsa el interruptor del lavaparabrisas durante 0,2 s con el vehículo en el modo ENC2, el relé del limpiaparabrisas se activa 0,3±0,1 s después de que el interruptor del lavaparabrisas esté activado, y el relé del limpiaparabrisas se desactiva 2,5~3,8 s (el limpiaparabrisas se activa 2~3 veces) después de desactivarse el interruptor del lavaparabrisas.

2
Desempañado vinculado al limpiaparabrisas

Si se pulsa el interruptor de desempañado del limpiaparabrisas durante 0,7 segundos con el vehículo en el modo ENC2, el relé del limpiaparabrisas se activa, y se desactiva 0,7 s después.

Si se pulsa el interruptor de desempañado del limpiaparabrisas durante más de 0,7 segundos con el vehículo en el modo ENC2, el relé del limpiaparabrisas se activa, y se desactiva 0,7 s después de desactivarse el interruptor de desempañado del limpiaparabrisas.

3
LIMPIAPARABRISAS VARIABLE

Si se activa el interruptor de intermitencia del limpiaparabrisas con el vehículo en el modo ENC2, el limpiaparabrisas funciona intermitentemente (10 ~ 2,2 s) según el ajuste de volumen de intermitencias.

4
Limpiaparabrisas conectado con el lavaparabrisas trasero

Si enciende el interruptor del limpiaparabrisas trasero mientras está encendido el interruptor ENC2, la potencia del limpiaparabrisas se enciende 0,3 segundos después. Si la entrada del interruptor dura de 0,2 y 0,6 segundos, la potencia del limpiaparabrisas se apaga 0,7 segundos después.

5
Limpiaparabrias trasero

Si enciende el interruptor del limpiaparabrisas trasero mientras el interruptor ENC2 se enciende, el relé del limpiaparabrisas trasero funciona continuamente.

6
Temporizador del desempañador y deshelador trasero

Si el interruptor del desempañador se activa con el vehículo en modo de alternador activado, el relé del desempañador se activa durante 20 minutos.

Si el interruptor del desempañador se pulsa otra vez o si se desactiva el modo de alternador mientras el desempañador está activado, el relé del desempañador se desactiva.

7
Interbloqueo de la llave

Si se desactiva el interruptor de INTERBLOQUEO DE LA LLAVE con el vehículo en el modo ENC1 activado o ACC ON, la salida del solenoide de la llave se activa e impide extraer la llave.

8
Bloqueo de cambio ATM

Si el interruptor del freno se activa con el vehículo en el modo ENC1 activado y la palanca de cambio en la posición P, el solenoide ATM se activa para desbloquear la palanca de cambio.

9
Liberación del portón trasero

El relé de liberación del portón trasero se activa durante 0,2±0,02 segundos si se recibe la señal del portón trasero del transmisor.

Si el interruptor de liberación del portón trasero se activa con todas las puertas desbloqueadas, el relé de liberación del portón trasero se activa durante 0,2±0,02 segundos.

(No obstante, el interruptor de liberación del portón trasera se ignora en el modo ESPERA DE ACTIVACIÓN, ACTIVACIÓN, REACTIVACIÓN o ALARMA.)

Si se activa el interruptor de liberación del portón trasero interior, el relé de liberación del portón trasero se activa durante 0,2±0,02 segundos.

(No obstante, el relé de desbloqueo del portón trasero NO se activa si la velocidad del vehículo es superior a 5km/h (3,1 mi/h) o si el vehículo está en modo ESPERA DE ACTIVACIÓN, ACTIVACIÓN, REACTIVACIÓN o ALARMA.)

10
Sincronizador del elevalunas eléctrico

El relé del elevalunas eléctrico se activa cuando el vehículo se conmuta al modo ENC ON.

Cuando el vehículo se conmuta al modo ENC ON → OFF, el relé del elevalunas eléctrico se activa durante 30 segundos.

Si se abre una puerta durante el periodo de 30 segundos de activación del relé del elevalunas eléctrico, el relé del elevalunas eléctrico se desactiva inmediatamente.

Si se abre una puerta y el modo del vehículo se conmuta a ENC ON → OFF, el relé del elevalunas eléctrico se desactiva inmediatamente.

11
Recordatorio del cinturón de seguridad (lado del conductor)

Si el cinturón de seguridad no está abrochado, el indicador se enciende al conectar el encendido y luego se apaga al abrocharse el cinturón de seguridad.

Si la velocidad del vehículo es superior a 20km/h con el cinturón de seguridad desabrochado, el indicador parpadea y el zumbador suena durante 100 segundos.

Mientras la velocidad del vehículo es superior a 20km/h con el cinturón de seguridad abrochado, si se desabrocha, el indicador parpadea y el zumbador suena durante 100 segundos. (recordatorio)

Si se abrocha el cinturón de seguridad o el modo del vehículo se conmuta a ENC OFF durante los 100 segundos de activación del zumbador, el indicador deja de parpadear y el zumbador se apaga.

Si el vehículo se conmuta al modo ENC ON con el cinturón de seguridad desabrochado, si la velocidad del vehículo excede los 20km/h con el indicador encendido, el indicador parpadeará y el zumbador suena durante 100 segundos.

12
Recordatorio del cinturón de seguridad (lado del acompañante)

Si el asiento del acompañante no está ocupado, el sistema opera como si el cinturón de seguridad estuviera abrochado.

Si el cinturón de seguridad no está abrochado, el indicador se enciende al conectar el encendido y luego se apaga al abrocharse el cinturón de seguridad.

Si la velocidad del vehículo es superior a 20km/h con el cinturón de seguridad desabrochado, el indicador parpadea y el zumbador suena durante 100 segundos.

Mientras la velocidad del vehículo es superior a 20km/h con el cinturón de seguridad abrochado, si se desabrocha, el indicador parpadea y el zumbador suena durante 100 segundos. (recordatorio)

Si se abrocha el cinturón de seguridad o el modo del vehículo se conmuta a ENC OFF durante los 100 segundos de activación del zumbador, el indicador deja de parpadear y el zumbador se apaga.

Si el vehículo se conmuta al modo ENC ON con el cinturón de seguridad desabrochado, si la velocidad del vehículo excede los 20km/h con el indicador encendido, el indicador parpadeará y el zumbador suena durante 100 segundos.

13
Recordatorio del cinturón de seguridad (trasero)

Si el cinturón de seguridad no está abrochado, el indicador se enciende durante 35 segundos al conectar el encendido y luego se apaga al abrocharse el cinturón de seguridad.

Si la velocidad del vehículo es superior a 20km/h con el cinturón de seguridad desabrochado, el indicador parpadea y el zumbador suena durante 35 segundos.

Si la velocidad del vehículo es superior a 20km/h con el cinturón de seguridad abrochado, si se desabrocha, el indicador parpadea y el zumbador suena durante 35 segundos. (recordatorio)

Si se abrocha el cinturón de seguridad o el modo del vehículo se conmuta a ENC OFF durante los 35 segundos de activación del zumbador, el indicador deja de parpadear y el zumbador se apaga.

Si el vehículo se conmuta al modo ENC ON con el cinturón de seguridad desabrochado, si la velocidad del vehículo excede los 20km/h con el indicador encendido, el indicador parpadeará y el zumbador suena durante 35 segundos.

14
ADVERTENCIA DE CONTACTO DE LLAVE

Si la puerta del conductor se abre con LLAVE DENTRO, el zumbador suena continuamente a intervalos de 1 segundo.

El zumbador se apaga al extraer la llave o cerrar la puerta mientras el zumbador está activado.

15
Advertencia de freno de estacionamiento

Si la velocidad del vehículo excede los 5km/h con el vehículo en el modo ENC1 y el freno de estacionamiento accionado, el zumbador suena hasta que se libera el freno de estacionamiento.

(El zumbador se activa 0,6 s y desactiva 0,4 s a intervalos de 1 segundo hasta que se libera el freno de estacionamiento.)

16
LUZ DEL HABITÁCULO ATENUADA

Si se abre una puerta con el vehículo en el modo ENC OFF, se enciende la luz del habitáculo. Al cerrar la puerta, la luz del habitáculo permanece encendida durante 30 segundos y luego se apaga. (atenuador 2±0,2 s)

Si la puerta permanece abierta, la luz del habitáculo permanece encendida durante 20 segundos y luego se apaga. (atenuador 2±0,2 s)

17
Iluminación de agujero de la llave

La luz de iluminación de la llave se enciende si se abre una puerta con el vehículo en el modo de interruptor ENC1 desactivado, y la luz de iluminación de la llave se apaga 30 segundos después de cerrar la puerta.

Si el modo del vehículo se conmuta a ENC1 activado mientras la luz de iluminación de la llave está encendida, la luz se apaga inmediatamente.

Si el modo del vehículo se conmuta a ESPERA DE ACTIVACIÓN mientras la luz de iluminación de la llave está encendida, la luz se apaga inmediatamente.

18
APAGADO AUTOMÁTICO DE LUCES TRASERAS

Si el interruptor trasero se conmuta OFF→ ON, el relé trasero se enciende.

Si el interruptor trasero se conmuta OFF, el relé trasero se apaga.

Si el interruptor de LLAVE DENTRO está desactivado y el interruptor trasero está activado y la puerta del conductor se abre mientras el interruptor de LLAVE DENTRO está activado y el interruptor trasero está activado, el relé trasero se apaga. (Auto OFF)

Si el interruptor de LLAVE DENTRO se activa después de Auto OFF, el relé trasero se enciende. El relé trasero no vuelve a encenderse aunque la puerta del lado del conductor se abra → cierre.

19
FARO DE ESCOLTA

Si el modo del vehículo se conmuta de ENC1 a ENC1 OFF, los faros se encienden con el interruptor de los faros o el alumbrado automático y permanecen encendidos.

Los faros se apagan si se da alguna de las condiciones siguientes:

① 15 segundos después de abrir → cerrar la puerta del lado del conductor.

② Encendido de los faros o alumbrado automático.

③ Si la puerta del lado del conductor se deja abierta durante más de 5 minutos.

④ 20 minutos después de conmutar el modo del vehículo de ENC1 ON a ENC OFF.

⑤ Si se recibe la señal de bloqueo del transmisor 2 veces con los faros encendidos.

20
Faros CRUCE / CARRETERA

Si los faros de cruce se encienden con el interruptor de los faros de cruce o con la función de alumbrado automático, y el interruptor de los faros de carretera está activado (retorno automático), se encienden los faros de carretera.

Los faros de carretera solo pueden apagarse con el interruptor de ráfagas.

21
Interruptor ráfagas

La luz de carretera solo se activa al activar el interruptor de ráfagas y con el vehículo en el modo ENC2 ON.

Este interruptor sirve para apagar los faros de carretera cuando están encendidos.

22
Luz antiniebla delantera

Si los faros antiniebla delanteros se encienden con los pilotos traseros encendidos, los faros antiniebla delanteros se encienden.

Si los faros antiniebla delanteros se apagan con los faros antiniebla delanteros encendidos, los faros antiniebla delanteros se apagan.

Si los faros de cruce se encienden con los faros antiniebla delanteros encendidos, los faros antiniebla delanteros se encienden.

Si los faros antiniebla delanteros se apagan con los faros antiniebla delanteros encendidos, los faros antiniebla delanteros se apagan.

23
Luces antiniebla traseras

La luz antiniebla trasera se enciende si se pulsa el interruptor de la luz antiniebla trasera cuando el vehículo está en modo ENC1 ON y el interruptor de la luz antiniebla delantera se enciende.

La luz antiniebla trasera se apaga si se pulsa el interruptor de la luz antiniebla trasera con la luz encendida.

La luz antiniebla trasera se apaga si se apaga IGN1 o el relé del piloto trasero con la luz encendida.

La luz antiniebla trasera se apaga si el relé de la luz de cruce y el interruptor de la luz antiniebla delantera se apagan con la luz encendida.

24
Control automático de luces

Si el sensor del alumbrado automático detecta la condición de luz encendida, la luz se enciende después de 2,5 s.

Si el sensor detecta la condición de luz apagada, la luz se apaga después de 2,5 s.

Si el sensor detecta la condición de pilotos traseros encendidos, solo se encienden los pilotos traseros. Si el sensor detecta la condición de faros encendidos, se encienden tanto los pilotos traseros como los faros.

En caso de condición de faros encendidos, se encienden tanto los pilotos traseros como los faros independientemente del estado ON/OFF del interruptor del piloto trasero.

25
Luz de bienvenida trasera

Si el modo del vehículo se cambia a LLAVE OFF, todas las puertas se cierran y bloquean mientras la luz trasera se enciende (interruptor de faros o interruptor AUTO + horas nocturnas), después se activa el desbloqueo RKE, la luz trasera se enciende durante 15 segundos.

26
Luz de curva estática (SBL)

La luz de curva estática (SBL) derecha/izquierda se enciende según el ángulo del volante con los faros encendidos.

Si la palanca de cambio está en la posición R se enciende el faro opuesto al ángulo de las ruedas.

En los modelos para el mecado nacional, los faros no se encienden si la velocidad del vehículo es inferior a 3 km/h o cuando la palanca de cambio está en la posición R.

27
LUCES DE MARCHA DIURNA (DRL)

La luz DRL se enciende al poner el motor en marcha.

La luz DRL se apaga si se encienden los faros de cruce o los faros antiniebla.

28
LUZ intermite (EMERGENCIA)

Al introducir la señal del interruptor del intermitente izquierdo, se enciende el interruptor izquierdo cuando el modo del vehículo ENC2 ON.

Luces de emergencia se encienden cuando el interruptor de emergencia está encendido.

29
RPAS

Si la palanca de cambio se pasa a la posición R con el vehículo en modo ENC1 ON, el zumbador se activa 0,5 segundos más tarde.

El nivel de advertencia se visualiza en el panel de instrumentos y el zumbador se activa correspondientemente a la condición de alarma.

30
Modo normal/ESPERA DE ACTIVACIÓN/Rebloqueo

Si se recibe la señal de bloqueo del transmisor con el interruptor LLAVE DENTRO extraido del cilindro y todas las puertas están cerradas, se emite la señal de bloqueo de todas las puertas, y cuando se activa el interruptor de bloqueo de todas las puertas, la luz de emergencia se enciende 1 vez y el vehículo activa el modo de ACTIVACIÓN transcurrido el plazo de ESPERA DE ACTIVACIÓN (30 s).

Si se recibe la señal de bloqueo del transmisor cuando una de las puertas, el capó o el maletero está abierto, solo se emite la señal de bloqueo. La luz de emergencia no se enciende y el vehículo no activa el modo de ACTIVACIÓN.

Si no se abre ninguna puerta o no se detecta LLAVE DENTRO en un plazo de 30 segundos después de recibir la señal de desbloqueo del transmisor, el vehículo regresa al modo de ACTIVACIÓN.

31
Condición de alarma

Si se detecta una condición de activación de la alarma, la inhibición del arranque se activa para impedir el arranque del motor y se activa la alarma.

32
DESACTIVACIÓN/Condición de desactivación de la alarma

Si se recibe la señal del interruptor de DESBLOQUEO/BLOQUEO del transmisor, la señal de desbloqueo/bloqueo se transmite durante 0,5 segundos y el INHIBIDOR DE ARRANQUE se apaga.

Si el interruptor LLAVE DENTRO está activado, el interruptor ENC1 está activado, el interruptor ENC2 está activado y el alternador está activado, todo ello durante 30 segundos, el inhibidor de arranque se desactiva y el vehículo pasa al modo DESACTIVACIÓN.

33
Reiniciar

Si la batería se desconecta mientras la alarma está activada y luego se conecta de nuevo, la alarma también se reactiva.

Si la batería se desconecta mientras el vehículo está en el modo ACTIVACIÓN y luego se conecta de nuevo, el vehículo mantiene el modo ACTIVACIÓN.

34
Bloqueo/desbloqueo central puertas

Si el interruptor de bloqueo/desbloqueo de la LLAVE de la puerta del conductor/acompañante se activa en un plazo de 3 segundos, la señal de bloqueo/desbloqueo de todas las puertas se emite durante 0,5 segundos.

Si se recibe la señal de bloqueo/desbloqueo del transmisor se emite la señal de bloqueo/desbloqueo de todas las puertas durante 0,5 segundos.

Si se bloquea/desbloquea el interruptor de bloqueo de la puerta del conductor (elevalunas eléctrico), se emite la señal de bloqueo/desbloqueo de todas las puertas durante 0,5 segundos.

35
BLOQUEO AUTOMÁTICO DE PUERTAS
(solo opción SAB)

Si el vehículo está en modo ENC1 activado, alternador activado, y la velocidad del vehículo es superior a 15 km/h, se bloquean todas las puertas en un plazo de 1,5 segundos.

(No obstante, si todas las puertas ya están bloqueadas o en caso de fallo de bloqueo de todas las puertas, no se ejecuta la función de bloqueo de todas las puertas.)

Si se desbloquea una de las puertas después de bloquearlas como se describe arriba, la orden de bloqueo se ejecuta 3 veces (a intervalos de 1 s). La puerta desbloqueada que se bloquea en los 3 intentos se ignora.

La función de bloqueo automático de las puertas no se acciona en caso de condición de desbloqueo por colisión.

36
DESBLOQUEO AUTO. DE PUERTA

LLAVE FUERA después de LLAVE DENTRO y luego se ejecuta el desbloqueo de todas las puertas.

(No obstante, si todas las puertas ya están desbloqueadas, la orden de desbloqueo no se ejecuta.)

37
RECORDATORIO DE LA LLAVE DE ENC
Esto no se activa cuando la velocidad del vehículo es superior a 3 km/h.

Si LLAVE DENTRO ON, el interruptor de la puerta del conductor está abierto y la puerta del conductor pasa de desbloqueo a bloqueo, se ejecuta el desbloqueo de todas las puertas durante 1 segundo después de una demora de 0,5 segundos.

Si LLAVE DENTRO ON, el interruptor de la puerta del acompañante está abierto y la puerta del acompañante pasa de desbloqueo a bloqueo, se ejecuta el desbloqueo de todas las puertas durante 1 segundo después de una demora de 0,5 segundos.

Si el interruptor de la puerta del conductor se cierra en un plazo de 0,5 segundos desde el estado de desbloqueo de la puerta del conductor DESBLOQUEO → BLOQUEO con el vehículo en el modo LLAVE DENTRO ON, se ejecuta el desbloqueo de todas las puertas solo 1 vez durante 1 segundo.

Si se cumple la condición de desbloqueo, el desbloqueo se ejecuta aunque la condición no se mantenga durante 0,5 segundos.

38
Recordatorio pasivo de LLAVE

Esto no se activa cuando la velocidad del vehículo es superior a 3 km/h.

Si se recibe la señal del recordatorio de LLAVE desde el SMK, se emite la orden de desbloqueo de todas las puertas durante 1 segundo.

Si las puertas permanecen bloqueadas tras emitirse la orden de desbloqueo durante 1 segundo como se describe arriba, el desbloqueo se intenta hasta 3 veces (excluyendo la primera vez) (intervalos de 1 s: 0,5 s ON/OFF).

39
DESBLOQUEO DE LA PUERTA POR IMPACTOS

El desbloqueo se ejecuta cada vez que se introduce la señal ACU cuando el interruptor ENC se activa. La emisión del desbloqueo continua durante el tiempo determinado aunque el vehículo pase de LLAVE ENC ON a OFF.

Si el interruptor de bloqueo de la puerta del conductor/acompañante/trasera se conmuta de desbloqueo a bloqueo después de ejecutar el bloqueo, la orden de desbloqueo se ejecuta de nuevo durante 5 segundos.

La función de bloqueo automático de las puertas no se acciona en caso de condición de desbloqueo por colisión.

40
PLEGADO / DESPLEGADO

El plegado/desplegado opera cuando se activa el interruptor de plegado/desplegado.

Si se activa el interruptor Auto, el plegado/desplegado opera automáticamente si se cumple alguna de las condiciones de abajo:

1)

Bloqueo/desbloqueo RKE.

2)

Bloqueo/desbloqueo pasivo.

3)

Detección de la señal de acercamiento/alejamiento de la llave inteligente.

41
Piloto trasero AV

Si el valor del sensor de luz automática es inferior a la condición de piloto trasero ON (0,4 V) en el modo ACC ON, la salida del piloto trasero AV se enciende tras 1 segundo.

Si el valor del sensor de luz automática es superior a la condición de piloto trasero OFF (0,85 V) mientras el piloto trasero AV está encendido, la salida del piloto trasero AV se apaga tras 1 segundo.


Diagrama de red de comunicación

Abreviatura
EXPLICACIÓN
ACU
Unidad de control del airbag
AVN
Unidad principal (Audio / AVN)
B_CAN
Red de zona del controlador de la carrocería
BCM
MÓDULO DE CONTROL DE LA CARROCERÍA
BSD
Detección del ángulo muerto
C_CAN
Red de zona del controlador del chasis
CLU
Módulo del panel de instrumentos
ESC
Programa de Estabilidad Electrónica
EMS
Sistema de Gestión del Motor
FPCM
Módulo de control de la bomba de combustible
LDWS
Sistema de advertencia de salida del carril
CAN_M
Controlador del área de red multimedia
MDPS
Dirección asistida por accionamiento del motor
MFS
Interruptor multifuncional
CAN_P
Controlador del área de red del tren de potencia
PGS
Sistema de guía de estacionamiento
SAS
Sensor del ángulo de la dirección
SMK
Unidad de llave inteligente
TCU
Unidad de control de transmisión
TPMS
Avisador presion de neumaticos
VDC
Control dinámico del vehículo
ABS
Sistema de frenos antibloqueo

Procedimientos de reparación

Extracción
[Tipo BCM]
1.

Desconecte el terminal negativo (-) de la batería.

2.

Desmonte el panel de protección inferior.

(Consulte el grupo de carrocería - "Panel de protección inferior")

3.

Desmonte el conducto de agua del lado del conductor (A) tras aflojar el tornillo.

4.

Desconecte el conector de control del acoplamiento (A).

5.

Retire el módulo de control de la carrocería (A) tras aflojar las tuercas de montaje.

6.

Desmonte el módulo de control de la carrocería (B) tras desconectar el conectores (A).

[Tipo sin BCM (Unidad de iluminación y aviso del cinturón de seguridad)]
1.

Desconecte el terminal negativo (-) de la batería.

2.

Desmonte el panel de protección inferior.

(Consulte el grupo de carrocería - "Panel de protección inferior")

3.

Desmonte el conducto de agua del lado del conductor (A) tras aflojar el tornillo.

4.

Desconecte los conectores de la unidad de iluminación y aviso del cinturón de seguridad.

5.

Desmonte la unidad de iluminación y aviso del cinturón de seguridad (A) tras aflojar las tuercas de montaje.

Instalación
[Tipo BCM]
1.

Conecte los conectores del módulo de control de la carrocería.

2.

Instale el módulo de control de la carrocería (BCM).

3.

Monte el conducto de agua del lado del conductor.

4.

Monte el panel inferior de protección.

5.

Conecte el terminal negativo (-) de la batería.

[Tipo sin BCM (Unidad de iluminación y aviso del cinturón de seguridad)]
1.

Conecte los conectores de la unidad de iluminación y aviso del cinturón de seguridad.

2.

Monte la unidad de iluminación y aviso del cinturón de seguridad.

3.

Monte el conducto de agua del lado del conductor.

4.

Monte el panel inferior de protección.

5.

Conecte el terminal negativo (-) de la batería.

Diagnóstico de BCM con KDS/GDS

[Solo tipo BCM]

1.

Pueden diagnosticarse rápidamente fallos del sistema eléctrico de la carrocería con el sistema de diagnóstico del vehículo (KDS/GDS).

El sistema de diagnóstico (KDS/GDS) proporciona la siguiente información.

(1)

Autodiagnóstico: Comprobación del fallo y número de código (DCT)

(2)

Datos actuales: Comprobación del estado de los datos de entrada y salida del sistema

(3)

Prueba de actuación: Comprobación del estado de funcionamiento del sistema

(4)

Función adicional: Control de otras características incluyendo el ajuste de opciones del sistema y el ajuste del punto cero

2.

Seleccione el 'Modelo de vehículo' y 'Módulo de control de la carrocería (BCM)' a inspeccionar para comprobar el vehículo con el comprobador.

3.

Seleccione el menú 'Current data" para buscar el estado actual de los datos de entrada y salida.

4.

Si desea cambiar la opción de usuario, seleccione "opción usuario".

    Componentes y localización de los componentes LOCALIZACIÓN DE LOS COMPONENTES 1. Vista trasera desde cámara 2. Unidad principal AVN 3.

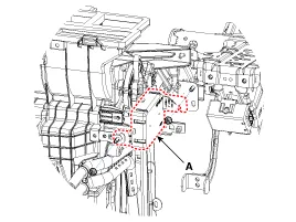
    Componentes y localización de los componentes LOCALIZACIÓN DE LOS COMPONENTES 1. Módulo de control de la carrocería (BCM) 2.

    Otra informacion:

    Kia Rio (YB) Manual de Taller: Diagnóstico de la llave smart

    Procedimientos de reparación Inspección Autodiagnóstico con Hi-Scan Puede diagnosticar rápidamente defectos del sistema de la llave inteligente con el KDS/GDS. El KDS/GDS puede operar el actuador a la fuerza, controlar el valor de entrada/salida y el autodiagnóstico.

    Kia Rio (YB) Manual de Taller: Sensor de desempañado automático (sólo FATC)

    Descripción y operación Descripción El sensor de desempañado automático está instalado en el cristal del parabrisas delantero. El sensor de desempañado automático detecta humedad en el parabrisas. El módulo de control del aire acondicionado recibe señales del sensor y lleva a cabo la aspiración y eliminación de humed

    Categorías

     
    Copyright © 2026 www.krioes.com - 0.021