| Descripción |
Debido a las operaciones de arranque más frecuentes, la carga eléctrica lleva a frecuentes caídas de tensión en la red del vehículo.
Para estabilizar el suministro de potencia para ciertos componentes eléctricos sensibles al voltaje, el convertidor CC/CC se usa junto a la función ISG.
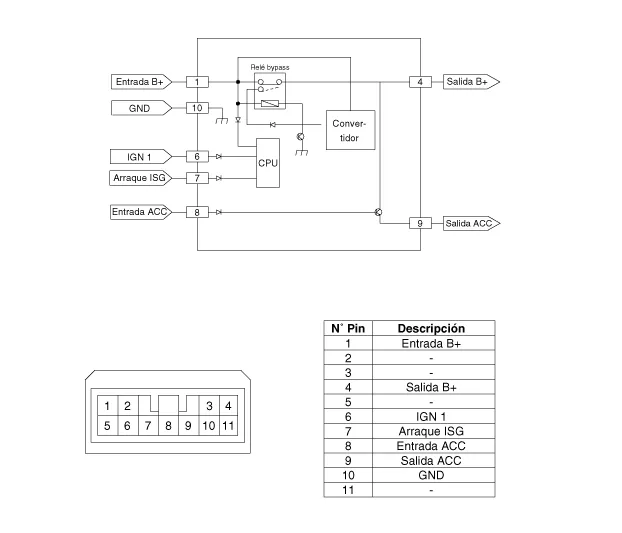
El convertidor CC/CC suministra el relé con el voltaje que también permanece constante durante la operación de arranque.
El convertidor DC/DC está montado detrás de la guantera.
Con la prueba realizada para el voltaje de entrada y el relé de arranque, la electrónica decide si la corriente se suministra a la salida a través de la desviación o del convertidor DC/DC.
En el modo de desviación, el voltaje de suministro a bordo no se transmite a través del convertidor DC/DC, sino que se transfiere directamente a las salidas. En la fase del servo, se adapta el voltaje del vehículo.
| Principio operativo |

|
| LOCALIZACIÓN DE LOS COMPONENTES |

| 1. Convertidor CC/CC (CONDUCCIÓN
A LA IZQ) |
2. Convertidor CC/CC (CONDUCCIÓN
A LA DCH) |
| Diagrama del circuito |

| Extracción |
| 1. |
Desconecte el terminal negativo de la batería. |
| 2. |
Desmonte la carcasa de la guantera. (Consulte el grupo de carrocería - "Carcasa de la guantera") |
| 3. |
Desconecte el conector del convertidor DC/DC (A). |
| 4. |
Desmonte el convertidor DC/DC (B) tras desmontar las tuercas.
(IZQ)
(DCH)
|
| Instalación |
| 1. |
El montaje debe realizarse en el orden inverso al desmontaje.
|
Diagramas esquemáticos Diagrama del circuito • Señal COM - Control de comunicación LIN • Terminal B+ - El voltaje de salida del generador pasa a la batería a través del terminal B+.
Descripción y operación Descripción 1. La batería sin mantenimiento, como su propio nombre indica, no requiere ningún tipo de mantenimiento y no tiene tapones de llenado.
Procedimientos de reparación Llave inteligente Grabación de Códigos de la Llave Smart 1. Conecte el cable DLC del KDS/GDS a la toma de diagnóstico (16 clavijas) del panel protector inferior en el lado del conductor y encienda el KDS/GDS.
Procedimientos de reparación Inspección Autodiagnóstico con Hi-Scan Puede diagnosticar rápidamente defectos del sistema de la llave inteligente con el KDS/GDS. El KDS/GDS puede operar el actuador a la fuerza, controlar el valor de entrada/salida y el autodiagnóstico.